CONOTEC that grows as a global company
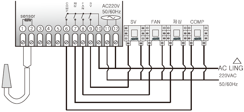
> COMP, Defrost, FAN Solenoid Valve
> Prevention of supercooling
> Defrost mode select
(Comp. time saving, Periodic defrost)
> COMP stop delaying
Size | 77(W) x 35(H) x 78(D) |
Operating Range | -55.0 ~ 99.9℃ |
Input sensor | NTC(10KΩ) 3M |
Display Accuracy | ±1%rdg ±1digit |
Output | 4 relay (250VAC 2A) |
Programming | Set / Up / Down / Df Key |
Control Method | ON / OFF |
Power Supply | 100 ~ 240VAC 50/60Hz |
Ambient Temp/Humi | 0 ~ 55℃ (32~131℉) 35 ~ 80% RH |
Gross Weight 1PC | 220g |



※ COMP/Defrosting/ SV : 250VAC 2A
FAN : 250VAC 5A
※ Please make use of the power relay or magnet surely.