CONOTEC that grows as a global company
> TFT-LCD & touch pad
> Central monitoring control
> Alarm history recordable
> Small & slimness
> Pump manual / auto operation made
> Pre-heat & freeze protection
Size | 137.21(W) x 95.21(H) x 54.7(D) |
Operating Range | -55.0 ~ 99.9℃ |
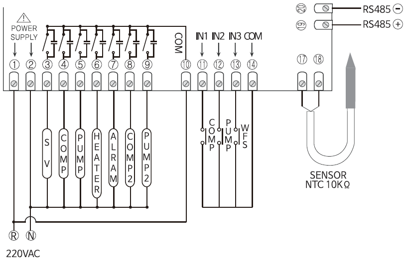
Input sensor | NTC(10KΩ): 1EA |
Display Accuracy | ±1%rdg ±1digit |
Output | 7 relay (7a 250VAC 2A) |
Programming | Set / Up / Down / Back Pump&Right / Power Key |
Control Method | ON / OFF |
Power Supply | 100 ~ 240VAC 50/60Hz |
Ambient Temp/Humi | 0 ~ 55℃ (32~131℉) 35 ~ 80% RH |
Gross Weight 1PC | 520g |



