제품소개

세계적인 기업으로 발돋움하는 코노텍

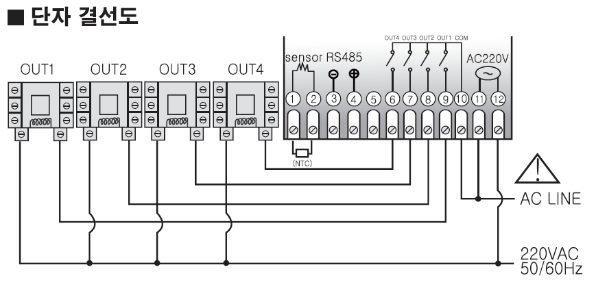
FOX-2001FR
· 디지털 냉난방 온도 조절기 / 4채널 온도제어 / RS485통신

제품특징

> 냉각 또는 난방 제어

> 4채널 온도 제어 (4Relay)

> RS485통신 (Modbus RTU방식) 

제품관련자료

제품사양

 치수

 77(W) x 35(H) x 78(D)

 온도 범위

 -55.0 ~ 99.9℃

 입력 센서

 NTC(10KΩ) 3M

 표시 정도

 ±1%rdg ±1digit

 출력

 4 relay (1c 4a 250VAC 2A)

 설정 방법

 Set / Up / Down Key 

 제어 방법

 ON / OFF

 전원 전압

 230VAC 50/60Hz

 소비 전력 

 ≤ 5VA

 사용주위 온습도

 0 ~ 55℃ (32~131℉)

 35 ~ 80% RH

 중량 1PC

 284g

각 부의 명칭



 

제품외형 및 판넬가공치수


 

단자결선도


 

코노텍과 함께 하는 youtube