> TFT-LCD 및 터치키 기능
> 콤프 1Step의 냉동기 시스템
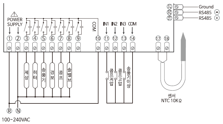
> 콤프 저압,고압, 송풍기 이상신호 접점
> 저온방지(과냉방지) 기능
> 경보 이력 및 장비가동시간 저장
> RS485통신 (Modbus RTU방식)
치수 | 137.21(W) x 95.21(H) x 54.7(D) |
온도 범위 | -55.0 ~ 99.9℃ |
입력 센서 | NTC(10KΩ) : 3M, 1EA |
표시 정도 | ±1%rdg ±1digit |
출력 | 6 relay (7a 250VAC 2A) |
설정 방법 | Set / Up / Down / Back Df&Right / Power Key |
제어 방법 | ON / OFF |
전원 전압 | 100 ~ 240VAC 50/60Hz |
소비 전력 | ≤ 8VA |
사용주위 온습도 | 0 ~ 55℃ (32~131℉) 35 ~ 80% RH |
중량 1PC | 508g |




